电气技术
什么是 TT 、 IN 、 IT 系统?
北京建工学院 唐定曾 清华大学 唐 海
一、建筑工程供电系统
建筑工程供电使用的基本供电系统有三相三线制三相四线制等,但这些名词术语内涵不是十分严格。国际电工委员会( IEC )对此作了统一规定,称为 TT 系统、 TN 系统、 IT 系统。其中 TN 系统又分为 TN-C 、 TN-S 、 TN-C-S 系统。下面内容就是对各种供电系统做一个扼要的介绍。
TT 系统 TN-C
供电系统→ TN 系统→ TN-S
IT 系统 TN-C-S
(一)工程供电的基本方式
根据 IEC 规定的各种保护方式、术语概念,低压配电系统按接地方式的不同分为三类,即 TT 、 TN 和 IT 系统,分述如下。
( 1 ) TT 方式供电系统 TT 方式是指将电气设备的金属外壳直接接地的保护系统,称为保护接地系统,也称 TT 系统。第一个符号 T 表示电力系统中性点直接接地;第二个符号 T 表示负载设备外露不与带电体相接的金属导电部分与大地直接联接,而与系统如何接地无关。在 TT 系统中负载的所有接地均称为保护接地,如图 1-1 所示。这种供电系统的特点如下。 
1 )当电气设备的金属外壳带电(相线碰壳或设备绝缘损坏而漏电)时,由于有接地保护,可以大大减少触电的危险性。但是,低压断路器(自动开关)不一定能跳闸,造成漏电设备的外壳对地电压高于安全电压,属于危险电压。
2 )当漏电电流比较小时,即使有熔断器也不一定能熔断,所以还需要漏电保护器作保护,困此 TT 系统难以推广。
3 ) TT 系统接地装置耗用钢材多,而且难以回收、费工时、费料。
现在有的建筑单位是采用 TT 系统,施工单位借用其电源作临时用电时,应用一条专用保护线,以减少需接地装置钢材用量,如图 1-2 所示。 
图中点画线框内是施工用电总配电箱,把新增加的专用保护线 PE 线和工作零线 N 分开,其特点是:①共用接地线与工作零线没有电的联系;②正常运行时,工作零线可以有电流,而专用保护线没有电流;③ TT 系统适用于接地保护占很分散的地方。
( 2 ) TN 方式供电系统 这种供电系统是将电气设备的金属外壳与工作零线相接的保护系统,称作接零保护系统,用 TN 表示。它的特点如下。
1 )一旦设备出现外壳带电,接零保护系统能将漏电电流上升为短路电流,这个电流很大,是 TT 系统的 5.3 倍,实际上就是单相对地短路故障,熔断器的熔丝会熔断,低压断路器的脱扣器会立即动作而跳闸,使故障设备断电,比较安全。
2 ) TN 系统节省材料、工时,在我国和其他许多国家广泛得到应用,可见比 TT 系统优点多。 TN 方式供电系统中,根据其保护零线是否与工作零线分开而划分为 TN-C 和 TN-S 等两种。
( 3 ) TN-C 方式供电系统 它是用工作零线兼作接零保护线,可以称作保护中性线,可用 NPE 表示,如图 1-3 所示。这种供电系统的特点如下。 
1 )由于三相负载不平衡,工作零线上有不平衡电流,对地有电压,所以与保护线所联接的电气设备金属外壳有一定的电压。
2 )如果工作零线断线,则保护接零的漏电设备外壳带电。
3 )如果电源的相线碰地,则设备的外壳电位升高,使中性线上的危险电位蔓延。
4 ) TN-C 系统干线上使用漏电保护器时,工作零线后面的所有重复接地必须拆除,否则漏电开关合不上;而且,工作零线在任何情况下都不得断线。所以,实用中工作零线只能让漏电保护器的上侧有重复接地。
5 ) TN-C 方式供电系统只适用于三相负载基本平衡情况。
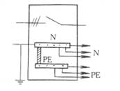
( 4 ) TN-S 方式供电系统 它是把工作零线 N 和专用保护线 PE 严格分开的供电系统,称作 TN-S 供电系统,如图 1-4 所示, TN-S 供电系统的特点如下。 
1 )系统正常运行时,专用保护线上不有电流,只是工作零线上有不平衡电流。 PE 线对地没有电压,所以电气设备金属外壳接零保护是接在专用的保护线 PE 上,安全可靠。
2 )工作零线只用作单相照明负载回路。
3 )专用保护线 PE 不许断线,也不许进入漏电开关。
4 )干线上使用漏电保护器,工作零线不得有重复接地,而 PE 线有重复接地,但是不经过漏电保护器,所以 TN-S 系统供电干线上也可以安装漏电保护器。
5 ) TN-S 方式供电系统安全可靠,适用于工业与民用建筑等低压供电系统。在建筑工程工工前的“三通一平”(电通、水通、路通和地平——必须采用 TN-S 方式供电系统。
( 5 ) TN-C-S 方式供电系统 在建筑施工临时供电中,如果前部分是 TN-C 方式供电,而施工规范规定施工现场必须采用 TN-S 方式供电系统,则可以在系统后部分现场总配电箱分出 PE 线,如图 1-5 、 1-6 所示。这种系统称为 TN-C-S 供电系统。 TN-C-S 系统的特点如下。 

图 1-5 TN-C-S 方式供电系统 1-6 工地总配电箱分出 PE 线
1 )工作零线 N 与专用保护线 PE 相联通,如图 1-5ND 这段线路不平衡电流比较大时,电气设备的接零保护受到零线电位的影响。 D 点至后面 PE 线上没有电流,即该段导线上没有电压降,因此, TN-C-S 系统可以降低电动机外壳对地的电压,然而又不能完全消除这个电压,这个电压的大小取决于 ND 线的负载不平衡的情况及 ND 这段线路的长度。负载越不平衡, ND 线又很长时,设备外壳对地电压偏移就越大。所以要求负载不平衡电流不能太大,而且在 PE 线上应作重复接地,如额头 1-6 所示。
2 ) PE 线在任何情况下都不能进入漏电保护器,因为线路末端的漏电保护器动作会使前级漏电保护器跳闸造成大范围停电。
3 )对 PE 线除了在总箱处必须和 N 线相接以外,其他各分箱处均不得把 N 线和 PE 线相联, PE 线上不许安装开关和熔断器,也不得用大顾兼作 PE 线。
通过上述分析, TN-C-S 供电系统是在 TN-C 系统上临时变通的作法。当三相电力变压器工作接地情况良好、三相负载比较平衡时, TN-C-S 系统在施工用电实践中效果还是可行的。但是,在三相负载不平衡、建筑施工工地有专用的电力变压器时,必须采用 TN-S 方式供电系统。
( 6 ) IT 方式供电系统 I 表示电源侧没有工作接地,或经过高阻抗接地。每二个字母 T 表示负载侧电气设备进行接地保护,如图 1-7 所示。 
IT 方式供电系统在供电距离不是很长时,供电的可靠性高、安全性好。一般用于不允许停电的场所,或者是要求严格地连续供电的地方,例如电力炼钢、大医院的手术室、地下矿井等处。地下矿井内供电条件比较差,电缆易受潮。运用 IT 方式供电系统,即使电源中性点不接地,一旦设备漏电,单相对地漏电流仍小,不会破坏电源电压的平衡,所以比电源中性点接地的系统还安全。
但是,如果用在供电距离很长时,供电线路对大地的分布电容就不能忽视了。从图 1-8 可见,在负载发生短路故障或漏电使设备外壳带电时,漏电电流经大地形成架路,保护设备不一定动作,这是危险的。只有在供电距离不太长时才比较安全。这种供电方式在工地上很少见。
(二)供电线路符号小结
1 )国际电工委员会( IEC )规定的供电方式符号中,第一个字母表示电力(电源)系统对地关系。如 T 表示是中性点直接接地; I 表示所有带电部分绝缘。
2 )第二个字母表示用电装置外露的可导电部分对地的关系。如 T 表示设备外壳接地,它与系统中的其他任何接地点无直接关系; N 表示负载采用接零保护。
3 )第三个字母表示工作零线与保护线的组合关系。如 C 表示工作零线与保护线是合一的,如 TN-C ; S 表示工作零线与保护线是严格分开的,所以 PE 线称为专用保护线,如 TN-S 。

上一篇:8/20 波形和10/350 波形的比较研究
下一篇:接地电阻的测量方法